Product Summary
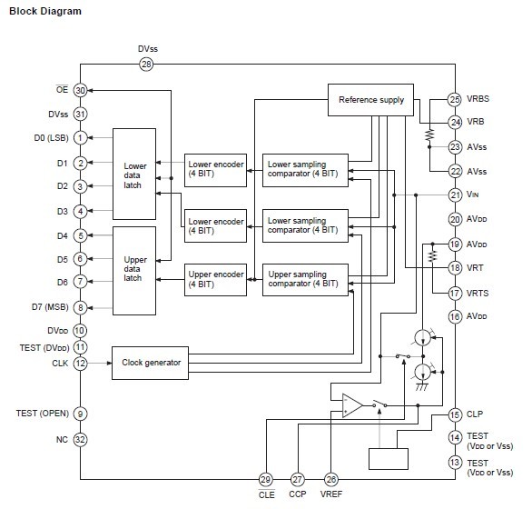
The D1179Q is a 8-bit CMOS A/D converter for video with synchronizing clamp function. The adoption of 2 step-parallel method achieves ultra-low power consumption and a maximum conversion
speed of 35MSPS.
Parametrics
Absolute maximum ratings: (1)Supply voltage, VDD: 7V; (2)Reference voltage, VRT, VRB: VDD + 0.5 to VSS - 0.5 V; (3)Input voltage, VIN: VDD + 0.5 to VSS - 0.5 V; (4)Storage temperature, Tstg: -5 to +150 ℃.
Features
Features: (1)Resolution: 8-bit ±1/2LSB (DL); (2)Maximum sampling frequency: 35MSPS; (3)Low power consumption: 80 mW (at 35MSPS typ.) (reference current excluded); (4)Synchronizing clamp function; (5)Clamp ON/OFF function; (6)Reference voltage self bias circuit; (7)Input CMOS compatible; (8)3-state TTL compatible output; (9)Single 5V power supply; (10)Low input capacitance: 8 pF.
Diagrams

![]() |
![]() D1170S20T |
![]() Infineon Technologies |
![]() Rectifiers FAST DIODE |
![]() Data Sheet |
![]()
|
|
||||||||
![]() |
![]() D1170S25T |
![]() Infineon Technologies |
![]() Rectifiers 2KV 2.14KA |
![]() Data Sheet |
![]()
|
|
||||||||
![]() |
![]() D117212 |
![]() Other |
![]() |
![]() Data Sheet |
![]() Negotiable |
|
||||||||
(China (Mainland))








