Product Summary
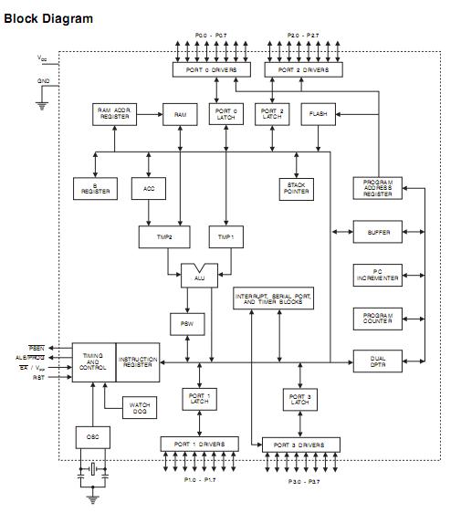
The AT89C51RC-24JU is a low-power, high-performance CMOS 8-bit microcontroller with 32K bytes of Flash programmable read-only memory and 512 bytes of RAM. The device is manufactured using Atmel high-density nonvolatile memory technology.
Parametrics
Absolute maximum ratings: (1)Operating Temperature:-55℃ to +125℃; (2)Storage Temperature:-65℃ to +150℃; (3)Voltage on Any Pin with Respect to Ground:-1.0V to +7.0V; (4)Maximum Operating Voltage:6.6V; (5)DC Output Current:15.0 mA.
Features
Features: (1)Compatible with MCS-51 Products; (2)32K Bytes of Reprogrammable Flash Memory; (3)Endurance: 10,000 Write/Erase Cycles; (4)4V to 5.5V Operating Range; (5)Fully Static Operation: 0 Hz to 33 MHz; (6)Three-level Program Memory Lock; (7)512 x 8-bit Internal RAM; (8)32 Programmable I/O Lines; (9)Three 16-bit Timer/Counters; (10)Eight Interrupt Sources; (11)Programmable Serial Channel; (12)Low-power Idle and Power-down Modes; (13)Interrupt Recovery from Power-down Mode; (14)Hardware Watchdog Timer; (15)Dual Data Pointer; (16)Power-off Flag; (17)Green (Pb/Halide-free) Packaging Option.
Diagrams

| Image | Part No | Mfg | Description | ![]() |
Pricing (USD) |
Quantity | ||||||||||||
|---|---|---|---|---|---|---|---|---|---|---|---|---|---|---|---|---|---|---|
![]() |
![]() AT89C51RC-24JU |
![]() Atmel |
![]() 8-bit Microcontrollers (MCU) 32K FLASH 4.0 TO 5.5V - 24MHZ 5V |
![]() Data Sheet |
![]()
|
|
||||||||||||
| Image | Part No | Mfg | Description | ![]() |
Pricing (USD) |
Quantity | ||||||||||||
![]() |
![]() AT8934 |
![]() TE Connectivity |
![]() General Purpose / Industrial Relays SEALED R RELAY |
![]() Data Sheet |
![]()
|
|
||||||||||||
![]() |
![]() AT8985P |
![]() Other |
![]() |
![]() Data Sheet |
![]() Negotiable |
|
||||||||||||
![]() |
![]() AT8989UP |
![]() Other |
![]() |
![]() Data Sheet |
![]() Negotiable |
|
||||||||||||
![]() |
![]() AT8992-A2-T-1 |
![]() |
![]() IC SWITCH PHY 64-TQFP |
![]() Data Sheet |
![]() Negotiable |
|
||||||||||||
![]() |
![]() AT8992M-A2-T-1 |
![]() |
![]() IC SWITCH PHY 100-MQFP |
![]() Data Sheet |
![]() Negotiable |
|
||||||||||||
![]() |
![]() AT8993-A2-T-1 |
![]() |
![]() IC SWITCH PHY 100-MQFP |
![]() Data Sheet |
![]() Negotiable |
|
||||||||||||
(China (Mainland))








